
柱上高壓無功自動補償裝置主要用來并接于6kV、10kV工頻交流電力系統,根據網路電壓及無功功率的運行參數實時自動完成電容器的投切,以提高功率因素、減少線路損耗,提高供電電壓質量。 ZGWB型用于10kV線路,主...

淺析電機軟啟動柜應用的必要性,隨著我國經濟的發展,電機的應用越來越多,電機的起動方法也越來越受到人們的重視。一般而言,電機使用功率在超過30KW時就應該用電機軟啟動柜了,否則將嚴重影響電網其他設備的使用運...

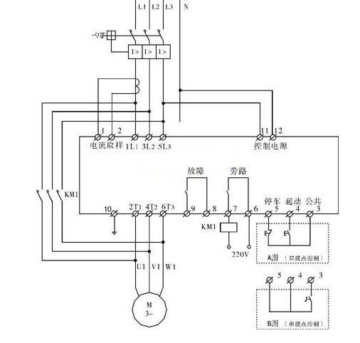
軟啟動器是一種可以使交流電動機在啟動時降低啟動電流的裝置,當電動機完成啟動過程后,裝置可以根據設定的時間啟動旁路接觸器將軟啟動裝置從電機主回路切除,由旁路接觸器和電機的主接觸器接通電機動力回路,因此一...

電網中的電力負荷如電動機、變壓器等,大部分屬于感性負荷,在運行過程中需向這些設備提供相應的無功功率。在電網中安裝并聯電容器等無功補償設備以后,可以提供感性電抗所消耗的無功功率,減少了電網電源向感性負荷...

液阻柜接線圖_液阻柜一次回路圖,液阻柜也稱水阻柜、水電阻啟動柜、液態電阻軟起動柜等,近年來使用比較廣泛的液體電阻軟啟動柜,充分利用了水電阻熱容量大,可調性好的特點,可將電機的起動電流控制在2.5-3倍電機額...

引言:中頻電源是一種靜止變頻裝置,它將三相工頻電源變換成單相中頻交流電。中頻電源對各種負載適應能力強、應用范圍廣,主要用于金屬的透熱、熔煉、焊接、淬火、回火、熱處理等。近年來,隨著電力電子技術的高速發...

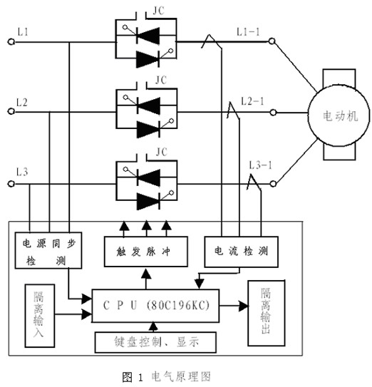
一、電機軟啟動器工作原理 電機軟啟動器工作原理:在三相電源與電機間串入三相反并聯晶閘管(可控硅整流器),利用晶閘管移相控制原理,啟動時電機端電壓隨晶閘管的導通角從零逐漸上升,電機轉速逐漸增大,直至達到...

一、高壓電機水阻柜與進相器之間的接線圖及一次回路原理圖: 二、水阻柜原理介紹 水阻柜是電氣行業的通俗叫法,也稱之為水電阻,液阻柜,液體電阻啟動柜,水電阻啟動柜。本文所述的水...